概述
XLSYJ3系列接触器式消防机械应急启泵装置,以下简称XLSYJ3。符合标准GB 14048.4-2020《低压开关设备和控制设备第4-1部分接触器和电动机起动器机电式接触器和电动机起动器(含电动机保护器)》、GB16806《消防联动控制系统》、GB 50974- 2014《消防给水及消防栓系统技术规范》。
适用于交流电压50(60)Hz,额定工作电压至660V,额定工作电流从40A至400A的电力系统中。当消防控制柜出现故障不能电动控制消防泵时,可以手动合闸XLSYJ3强行启动消防泵。
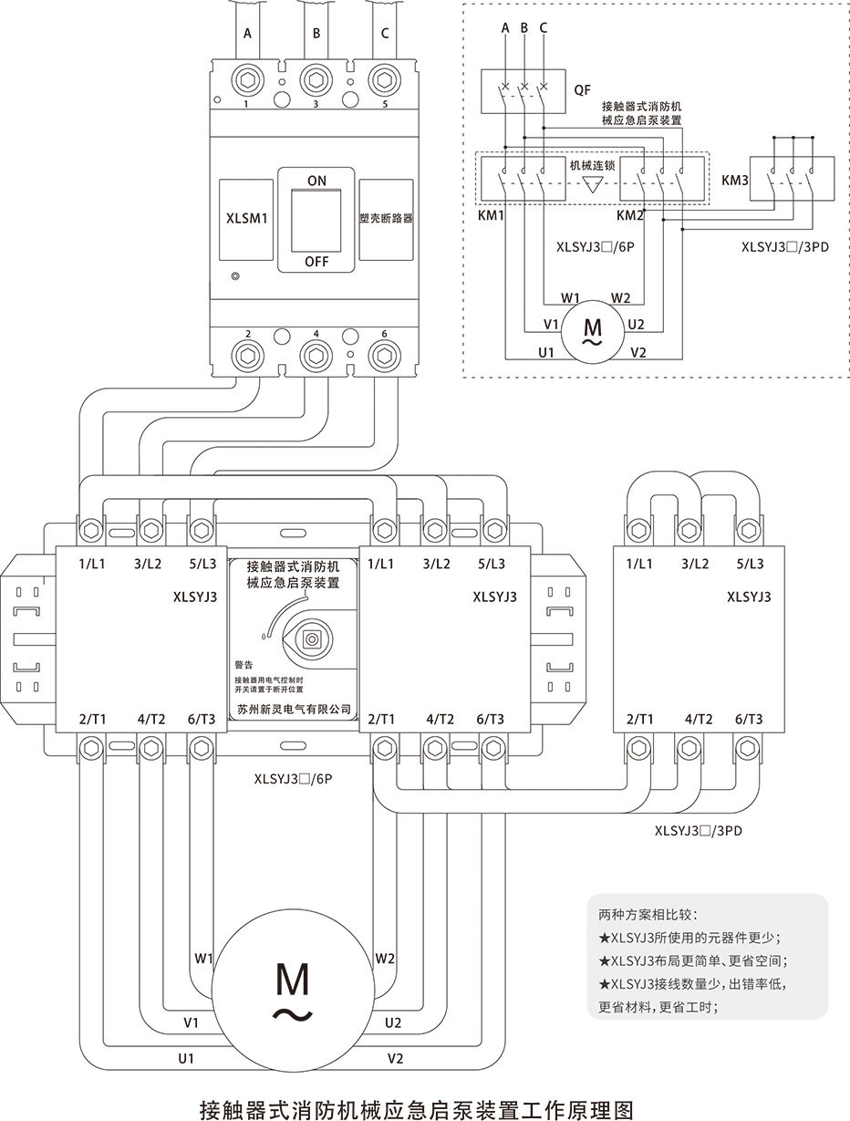
产品由两台交流接触器加上机械联锁组成,实现电动合闸和手动合闸两种模式启动消防泵,当电动不能正常启动消防泵时,可以手动合闸启动消防泵。两路电源内部互不干扰,采用先进机械联动设计,适用于不同场合、不同功率的消防泵机械应急启动,全方位满足客户的不同需求。
使用环境
◆海拔高度:不超过2000m ;
◆环境温度:不高于+40°C.不低于-5°C, 且其24h内 的平均温度值不超过+35°C ; .
◆大气条件:在+40°C时空气相对湿度不超过50%,较低温度可有较高的相对湿度。最湿月的月平均最低温度
◆不超过+25°C,该月的月平均最大相对湿度不超过90%,并考虑因温度变化发生在产品上的凝露;
◆污染等级:3级;
◆安装类别: Il类;
◆安装条件:安装面与垂直面倾斜度不大于士5°;
产品特点
◆产品单台(3P) 直启和双台(6P) 星三角启动两种启动方式;
◆手动合闸时,提前断开控制线圈,手电动两种模式互不干扰;
◆产品处于手动合闸位置时,交流接触器控制线圈无法使用,防止两种合闸方式同时启动造成短路;
◆一体化设计,配合协调,省安装空间、省安装时间、省安装材料、省接线材料;
◆机械强启时可承受10倍以上启动冲击电流,不会损伤主回路触头;
◆产品所使用的主回路触头结构区别于市场上普通交流接触器触头,专为机械强启设计,承受能力更强;
◆柜外操作手柄带钥匙锁,应急启动机构处于断开状态时,不用钥匙解锁手柄无法旋转,防止误动作。
技术参数
型号及其含义
电动合分闸辅助触头参数(用于接触器)
◆XLSYJ3-40~95产品本体自带一开一闭:13- 14常开21-22常闭。
◆XLSYJ3-40~95/3P能加2组F8-11,XLSYJ3-40~95/6P两侧接触器可各加2组F8-11,安装方式:侧挂。
◆XLSYJ3-115~330产品本体不带辅助触头,XLSYJ3-400产品本体自带一开:03-04常开。
◆XLSYJ3-115~400/3P能加2组F4系 列辅助模块, XLSYJ3-115~400/6P两侧接触器可各加2组F4系列辅助模块。
手动合分闸接线端子参数(用于强启机构)
◆接线端子的状态不随接触器的吸合释放而变化,只在手动操作时改变。
结构说明
●XLSYJ3系列有两种合分闸方式:电动合分闸和手动合分闸。电动合分闸:就是通过从A1和A2端口输入230V或400V电压,使交流线圈产生磁场,铁芯吸合带动开关内部动静触头合闸。断开交流线圈输入电压使铁芯释放,带动开关内部动静触头分闸。手动合分闸:就是通过人力顺时针旋转“强启机构”使内置弹簧储能,当旋转到临界点时,“强启机构"的储能弹簧瞬间释放,并带动开关内部动静触头合闸。逆时针旋转“强启机构”同样能使内置弹簧储能,再旋转至临界点时,“强启机构”的储能弹簧瞬间释放并带动开关内部动静触头分闸。储能过程中动静触头始终保持在原有的位置,当“强启机构”释放时动静触头随之合闸或分闸。整个过程人力只是在储能,动静触头合分闸由“强启机构”带动瞬间完成。
●XLSYJ3系列“强启机构”配备独立的信号回路,只在“手动合分闸”时使用。“电动合分闸”信号回路由辅助完成,手动合分闸”信号回路由接线端子完成。
●设备正常运行时,XLSYJ3与交流接触器工作原理相同,通过控制线圈电压的输入来分合铁芯带动开关本体的动静触头分闸与合闸。
●当出现故障无法通过电动来控制开关分闸与合闸时,请断开设备所有控制回路,再通过XLSYJ3所配套的柜外操作手柄,手动从“停止”位置顺时针旋转90°至“紧急启动”位置,让XLSYJ3通过机械的方式合闸强启动水泵。
选型对应表
注:以上参数基于理论计算,考虑到实际使用中“手动启动”产生的冲击电流过大,以及环境的污染程度等多种因素,建议客户为了操作人员的“安全”适当加大产品电流规格。
选型举例
◆举例一:技术要求消防水泵功率110kW,需要星三角启动,如何选择?
答:选择型号XLSYJ3-150/6P, 400V功率1 l0kW水泵额定工作电流212A,接星三角启动需要重新计算电流(212A+/3≈123A) ,所以选择150型。因为是星三角启动,所以选择6P。
◆举例二:技术要求消防水泵功率55kW,需要直启,如何选择?
答:选择型号XLSYJ3-115/3P, 400V功率55kW水泵额定工作电流106A,所以选择115型。因为是直启,所以选择3P。
◆举例三:消防水泵功率18.5kW,控制电压400V,直启,辅助需要1开1闭,如何选择?
答:选择型号XLSYJ3-40/Q3P/F8-11.XLS表示我司企业代号, YJ3表示接触器式消防机械应急启泵装置, 40表示额定工作电流, Q表示控制电压400V,3P表示直启, F8-11表示配1开1闭辅助1只。
◆举例四:消防水泵功率为160kW,控制电压230V,星三角启动, KM1辅助需要2开6闭。KM2辅助需要2开2闭,如何选择?
答:选择型号XLSYJ3-225/M6P/F4-13/13/22.XLS表示我司企业代号, YJ3表示接触器式消防机械应急启泵装置, 225表示额定工作电流, M (默认可不标)表示控制电压230V, 6P表示星三角启动, F4-13/13/22表示配1开3闭辅助2只(2开6闭)、2开2闭辅助1只。
XLSYJ3系列与传统解放方案工作原理对比图
柜外操作手柄外形与开孔尺寸(mm)
外形与安装尺寸(mm)



