一站式供应高低压输配电供配电专家
搜索
全国统一服务热线:
00-86-13715346677
网站首页
关于我们
关于我们
公司简介
资质荣誉
公司环境
产品中心
产品中心
APF/SVG/SPC 整柜
APF/SVG/SPC 模块
DTU智能配电终端
智能电容模块
自愈式并联电容器系列
智能电容器系列
有源滤波系列
电容器投切及控制系列
高.低压电抗器系列
高压并联电容器
无功补偿装置系列
多功能仪表系列
软起动器/柜系列
三箱类配电箱光纤箱等电位箱系列
开关电源变压器系列
高低压互感器系列
风机水泵控制器系列
消防机械应急启动装置
高压配件系列
低压配件系列
新能源及光伏配件系列
高低压成套设备系列(0.4-10KV成套安装)
新闻资讯
新闻资讯
行业资讯
常见问题
产品应用
资料下载
联系我们
"navigation"
网站首页
关于我们
公司简介
资质荣誉
公司环境
产品中心
APF/SVG/SPC 整柜
APF/SVG/SPC 模块
DTU智能配电终端
智能电容模块
自愈式并联电容器系列
智能电容器系列
有源滤波系列
电容器投切及控制系列
高.低压电抗器系列
高压并联电容器
无功补偿装置系列
多功能仪表系列
软起动器/柜系列
三箱类配电箱光纤箱等电位箱系列
开关电源变压器系列
高低压互感器系列
风机水泵控制器系列
消防机械应急启动装置
高压配件系列
低压配件系列
新能源及光伏配件系列
高低压成套设备系列(0.4-10KV成套安装)
新闻资讯
行业资讯
常见问题
产品应用
资料下载
联系我们
产品中心
Product Center
产品中心
首页
-
产品中心
-
风机水泵控制器系列
-
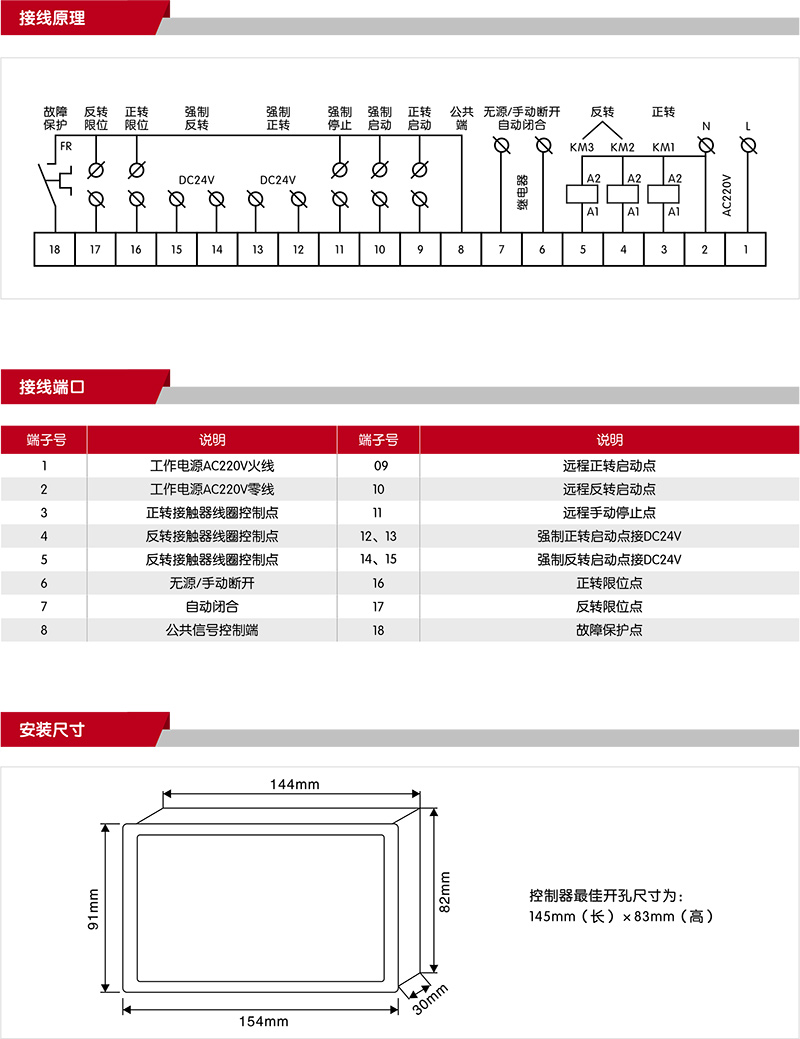
WSK-ZF正反转控制器
WSK-ZF正反转控制器
产品详情
返回
上一个:
WSK-XSJ星三角降压启动控制器
下一个:没有了
返回>>
相关产品
WSK-XF2型消防电气控制装置(消防泵控制设备)
WSK-XF2/FT分体式消防电气控制装置
WSK-XJ4~6-8-10消防电气控制装置-巡检控制器
WSK-FJ1单速风机控制器
© 深圳威斯康电气有限公司【官网】
粤ICP备20231212号
XML
网站地图
网站管理
友情链接:
深圳威斯康电气有限公司官网
威斯康有源滤波器APF静止无功发生器SVG
威斯康无功补偿成套装置 SPC三相不平衡装置
威斯康电网电能质量管理产品
在线
QQ
410457266
在线QQ
扫一扫
微官网
加我微信
客服
热线
00-86-13715346677
客服热线
邮箱
邮箱